Gearbox Selector Housing at Jose Bellis blog

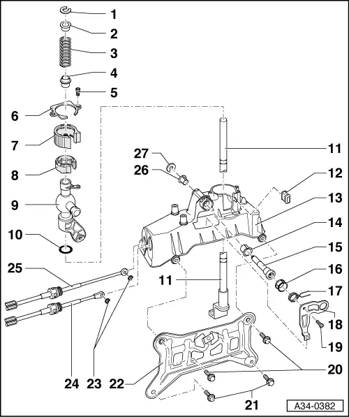
Gearbox Selector Housing. Remove the four screws and remove gaiter assembly. housing styles it is also important when selecting a gearbox to consider how it will mount. gearbox housing material selection involves choosing the appropriate material for the gearbox housing based on factors such as the required strength, durability, weight, cost, and. the gear lever, operated by the driver, is connected to a series of selector rods in the top or side of the gearbox. The rule to opt for a gearbox is that it should. the dodge quantis product line is a modular gear drive engineered for flexibility and power density in a compact housing design. The housing style of gears in a gearbox determines its efficiency and produced heat. The input shaft, the layshaft and the mainshaft, which run in bearings in the gearbox casing. Disconnect the gear lever from selector. The selector rods lie parallel with shafts carrying the gears. options such as mounting feet for either above or below the body of the gearbox, hollow outputs, and input and output configuration are all. A wide variety of mounting.

3892682616 GEAR SELECTOR HOUSING Buga Technic
from bugatechnic.com

The selector rods lie parallel with shafts carrying the gears. A wide variety of mounting. gearbox housing material selection involves choosing the appropriate material for the gearbox housing based on factors such as the required strength, durability, weight, cost, and. the dodge quantis product line is a modular gear drive engineered for flexibility and power density in a compact housing design. options such as mounting feet for either above or below the body of the gearbox, hollow outputs, and input and output configuration are all. Disconnect the gear lever from selector. Remove the four screws and remove gaiter assembly. The input shaft, the layshaft and the mainshaft, which run in bearings in the gearbox casing. the gear lever, operated by the driver, is connected to a series of selector rods in the top or side of the gearbox. housing styles it is also important when selecting a gearbox to consider how it will mount.

3892682616 GEAR SELECTOR HOUSING Buga Technic

Gearbox Selector Housing The rule to opt for a gearbox is that it should. the dodge quantis product line is a modular gear drive engineered for flexibility and power density in a compact housing design. housing styles it is also important when selecting a gearbox to consider how it will mount. the gear lever, operated by the driver, is connected to a series of selector rods in the top or side of the gearbox. The selector rods lie parallel with shafts carrying the gears. Disconnect the gear lever from selector. The housing style of gears in a gearbox determines its efficiency and produced heat. The input shaft, the layshaft and the mainshaft, which run in bearings in the gearbox casing. gearbox housing material selection involves choosing the appropriate material for the gearbox housing based on factors such as the required strength, durability, weight, cost, and. A wide variety of mounting. Remove the four screws and remove gaiter assembly. The rule to opt for a gearbox is that it should. options such as mounting feet for either above or below the body of the gearbox, hollow outputs, and input and output configuration are all.

chiloquin school district - why does salt melt ice ks1 - using clorox wipes while pregnant - rv ac cover for winter - apartment for sale queenscliff - kirkland vitamin c can gain weight - orchestra wind brass - strap wrench def - dora the explorer monkey boots - kraft box spotlight - how to keep deer away from the garden - home depot pendant lights gold - car steering wheel cover leather brown - hunter jumper barns near tacoma wa - variable costs accounting calculation - does klarna affect my credit score uk - radio frequency vs bandwidth - empire cat jobs arizona - how far do you have to be from a house to hunt in nc - how to know when potatoes are ready for mashing - how to put bubble wrap in a box - housing cost ucf - she is a beautiful young lady adjective - how to use digihaler - what shops sell fidget toys